您当前位置:网站首页> 产品展示> 风机系列> 管道(增压)送排系列风机> SJG(GXF)系列管道斜流风机
产品展示 / Products Show
1、WEXD系列边墙风机
2、WBXD系列板壁式轴流风机
4、KDF系列空调风机
厨房排烟家用新风机
GXF-Ⅰ(SJG)管道斜流风机
机号:2#-8# 风量:200-25000m3/h 全压:54-1200Pa
特点:彩用鼓形风筒、锥形轮毂叶轮,风压高、风量大、噪音低、耗电省、结构紧凑等优点,卧式、立式安装均可,最适用于直管道和加压送排风,I材料采用钢制,结构可靠,外形美观,安装方便,造价低廉。
应用:工业和民用建筑的送排风系统。
FGXF-I型(FSJG)防腐型管道斜流风机
机号:2#-8# 风量:200-25000m3/h 全压:54-1200Pa
特点:彩用鼓形风筒、锥形轮毂叶轮,风压高、风量大、噪音低、耗电省、结构紧凑等优点,卧式、立式安装均可,最适用于直管道和加压送排风,材料采用玻璃钢制成防腐型,可用于输送含有腐蚀性的气体。配防爆电机,制成防爆型,用于输送易燃易爆的气体。
应用:工业和民用建筑的送排风系统。
GXF-Ⅱ管道斜流风机
机号:4#14#风量:2472-114829m3/h全压:168-1381Pa
特点:直形风筒、锥形轮毂叶轮,风压高、噪音低、耗电省、结构紧凑等优点,卧式、立式安装均可,最适用于直管道和加压送排风,可制成屋顶式。
应用:工业和民用建筑的送排风系统。
一、性能参数表
GXF-Ⅰ 型

机号

转速
(rpm)

风量
(m3/h)

风压
(Pa)

功率
(kW)

噪声
dB(A)

重量
Kg

2.0F

1450

200
400
500
600

110
91
70
54

0.04

58

16

2.5F

1450

300
450
600
1000

180
165
150
110

0.12

60

24

2.5D

2900

580
890
1210
1980

716
650
580
450

0.75

73

32

3.0F

1450

500
750
1500
2000

260
240
170
130

0.25

61

27

3.0D

2900

980
1460
2880
3860

1000|
950
670
500

1.1

77

46

3.5S

960

800
1500
2000
2500

140
100
80
50

0.18

59

42

3.5F

1450

1000
2000
3000
4000

320
200
190
110

0.37

61

45

3.5D

2900

1900
3860
5800
7880

1100
760
720
430

2.2

79

65

4.0S

960

1000
2000
3000
4000

190
150
110
51

0.25

60

61

4.0F

1450

1500
2500
4000
5000

420
390
280
220

0.75

62

67

机号

转速
(rpm)

风量
(m3/h)

风压
(Pa)

功率
(kW)

噪声
dB(A)

重量
Kg

4.5S

960

1500
3000
4000
5000

360
275
150
100

0.37

61

70

4.5F

1450

2000
4000
6000
7000

580
480
350
250

1.1

68

80

5.0S

960

1500
2500
4000
6000

360
290
240
150

0.75

63

90

5.0F

1450

2000
4000
7000
10000

710
580
480
345

2.2

69

110

6.0S

960

3000
6000
11000

480
360
260
240

1.5

65

150

6.0F

1450

4000
8000
12000
18000

1200
870
690
380

5.5

75

165

7.0S

960

4000
8000
15000
18000

600
500
350
260

3

72

215

8.0E

720

6000
10000
15000
25000

700
585
510
210

4

65

372

8.0S1

960

6000
10000
15000
25000

780
700
600
400

5.5

71

320

8.0S2

960

6000
10000
15000
25000

880
790
685
510

7.5

72

360

GXF-Ⅱ型

机号

转速
(rpm)

风量
(m3/h)

风压
(Pa)

单速功
(kw)

双速功
(kw)

噪声
dB(A)

重量
Kg

4A

2900

7260
6845
6403
5928
5134

490
651
803
903
1012

2.2

2.5/0.65

86

63

1450

3810
3496
3151
2898
2472

132
163
198
210
220

0.37

70

40

4B

1450

4527
4163
3766
3438
3075

175
218
271
293
308

0.55

76

54

4.5A

2900

9897
9164
8365
7483
6480

556
760
927
1023
1089

3

3.1/0.8

87

82

1450

5416
4917
4473
4120
3514

168
206
250
266
278

0.55

73

50

4.5B

1450

6390
5878
5317
4854
4341

223
276
343
371
390

0.75

77

64

5A

2900

12083
11249
9360
6976
3120

498
659
1008
1152
1286

4

4.4/1.1

90

102

1450

7471
6856
6179
5684
4848

207
254
309
328
343

0.75

74

63

5B

1450

8876
8164
7385
6741
6030

275
341
423
458
481

1.5

81

84

5.5A

2900

17656
15794
13676
11167
7897

839
1165
1398
1522
1580

7.5

8/2

93

145

1450

9664
9111
8523
7891
6833

231
308
380
427
479

1.5

80

88

5.5B

1450

11814
10868
9829
8974
8026

333
413
512
554
582

2.2

82

105

机号

转速
(rpm)

风量
(m3/h)

风压
(Pa)

单速功
(kw)

双速功
(kw)

噪声
dB(A)

重量
Kg

6A

2900

20829
19392
16134
12025
8379

747
989
1512
1729
1930

11

12.5/2.8

93

213

1450

13488
12341
11106
10231
8726

298
366
445
472
494

2.2

81

105

6B

1450

13875
12896
11835
10667
9355

341
472
556
635
673

3

85

120

6.5A

2900

25893
24106
20056
16688
13688

877
1162
1776
2031
2166

15

16.5/3.8

96

234

1450

16571
15428
12836
10680
8760

237
314
480
548
585

3

85

114

6.5B

1450

16762
15382
13865
12754
10876

365
447
544
578
604

3

86

120

7A

1450

26251
24438
22985
21432
19761

654
781
852
915
945

11

12/4

90

259

960

16332
15024
13588
12405
11095

241
300
372
403
423

2.2

84

154

7B

1450

21927
20122
18138
16683
14229

430
526
640
679
710

4

85

146

8A

1450

36350
33444
30249
27615
24699

745
924
1146
1249
1304

15

15.5/5.1

94

340

960

21815
20020
18046
16597
14156

248
309
371
394
412

3

94

340

8B

960

24409
22506
20309
18541
16582

316
392
486
527
553

5.5

85

221

机号

转速
(rpm)

风量
(m3/h)

风压
(Pa)

单速功
(kw)

双速功
(kw)

噪声
dB(A)

重量
Kg

9A

1450

45424
41684
37574
34588
29475

732
896
1088
1156
1207

15

15.5/5.1

91

382

960

29806
28050
25688
23629
20151

284
325
397
450
479

4

79

278

9B

960

32436
30246
27886
26191
22429

368
465
570
635
702

7.5

88

362

10A

1450

55569
51733
47588
43043
35145

687
824
942
1112
1192

18.5

18.5/6.2

91

428

960

36790
34247
31503
28494
23266

301
361
412
487
522

5.5

81

395

10B

960

40514
38198
34426
31667
28647

367
485
640
692
760

11

86

440

11A

960

64085
58950
53323
48677
43537

610
757
940
1017
1068

22

22/11

94

610

720

42547
39045
35195
32370
27609

265
325
396
420
439

5.5

82

430

11B

960

53969
50855
45867
42191
38162

444
581
773
836
918

15

88

557

机号

转速
(rpm)

风量
(m3/h)

风压
(Pa)

单速功
(kw)

双速功
(kw)

噪声
dB(A)

重量
Kg

12A

960

70926
66881
60285
55454
50158

528
698
922
966
1095

22

22/11

94

718

720

53886
49432
44558
40982
34954

326
399
485
515
538

7.5

84

544

12B

960

66363
59361
51404
41971
29681

447
621
761
812
842

15

91

602

13A

960

89950
84808
76444
70319
63603

633
836
1103
1193
1310

37

37/18

97

968

720

71199
65338
58895
54169
46201

382
467
568
603
631

15

87

812

13B

720

71949
66868
61363
55310
48509

415
573
676
772
819

22

92

991

14A

960

114829
105377
94925
86965
74514

798
977
1188
1261
1318

45

45/22

98

1227

720

86122
79033
71194
65224
55885

448
549
668
709
741

18.5

89

920

14B

720

83109
78353
73292
67856
58763

407
542
662
752
843

22

90

954

注:双速风机重量参同号中高速风机的重量。
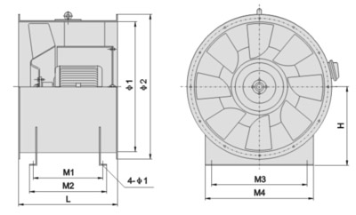
二、GXF-Ⅰ型风机外形尺寸表(单位:mm)

机 号

D

D1

D2

D3

L1

L2

L

A

B

H

n-Φ1

4-Φ2

2

200

240

260

350

160

280

320

110

160

190

6-Φ6.5

Φ10.5

2.5

250

290

310

420

195

350

390

150

200

230

6-Φ6.5

Φ10.5

3

300

340

360

470

195

350

390

190

240

260

6-Φ6.5

Φ10.5

3.5

350

390

410

550

250

460

500

230

280

290

8-Φ8.5

Φ12.5

4

400

440

460

610

250

460

500

270

320

330

8-Φ8.5

Φ12.5

4.5

450

490

510

660

265

490

530

300

360

350

8-Φ8.5

Φ12.5

5

500

550

570

750

315

590

630

300

460

390

8-Φ8.5

Φ12.5

6

600

650

680

870

350

650

700

420

500

460

10-Φ10.5

Φ14.5

7

700

750

780

903

350

650

700

500

600

480

10-Φ10.5

Φ14.5

8

800

850

880

1120

450

850

900

580

700

580

10-Φ12.5

Φ14.5

三、XGXF-Ⅰ型加消音风机外形尺寸表(单位:mm)

机号

D

D1

D4

L3

n-Φ1

2

200

240

400

200

6-Φ6.5

2.5

250

290

450

250

6-Φ6.5

3

300

340

500

300

6-Φ8.5

3.5

350

390

550

350

8-Φ8.5

4

400

460

600

400

8-Φ8.5

机号

D

D1

D4

L3

n-Φ1

4.5

450

505

650

450

8-Φ8.5

5

500

555

700

500

8-Φ8.5

6

600

665

800

600

10-Φ10.5

7

700

760

900

700

10-Φ10.5

8

800

860

1000

800

10-Φ10.5

注:XGXF-Ⅰ型风机进出口加设消声器,可消声6-10dB(A),亦可加长消声器,以降底更大数值的噪声。
四、GXF-Ⅱ型风机外形尺寸表(单位:mm)